Product details
Approvals
| Approvals | |
| ROHS | Conform |
General ordering data
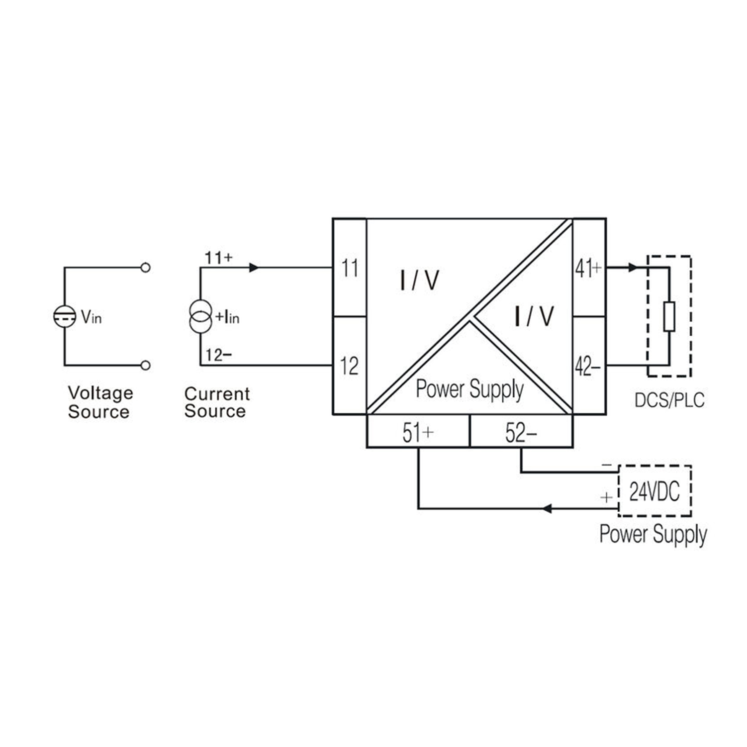
| Version | Analogue isolating amplifier, Input : I/U universal, Output : I/U universal, Signal converter/isolator, universal |
| Order No. | 7760054130 |
| Type | ACT20P-AI-AO-S |
| GTIN (EAN) | 6944169684524 |
| Qty. | 1 items |
Dimensions and weights
| Depth | 114 mm |
| Depth (inches) | 4.488 inch |
| Height |
|
| Height (inches) | 4.693 inch |
| Width | 12.5 mm |
| Width (inches) | 0.492 inch |
| Net weight | 50 g |
Temperatures
| Storage temperature | -40 °C…85 °C |
| Operating temperature | -20 °C…60 °C |
| Humidity at operating temperature | 0…95 % (no condensation) |
| Humidity | 5…95 %, no condensation |








